Slušalice-oscilator TLGAVS45564
Slušalice-oscilatori ne zahtevaju spoljašnji izvor napajanja (bilo spoljašnji ili bateriju). Vaš telefon ima posebnu membranu, koja generiše električnu energiju iz glasa. Ovi uređaji mogu biti postavljeni na udaljenosti od 16 km.
Uređaji su opremljeni sa posebnim generatorom poziva. Na prelazu iz generatora je poziv.
Ove slušalice mogu se koristiti čak i u uslovima visoke buke.
Uređaji imaju najviši stepen zaštite od prašine i vlage(IP66) i maksimalnu zaštitu od vandalizma(IK 10).
Takođe postoje modeli u eksplozivnoj zaštiti i za rad u svim vremenskim uslovima
Tehničke karakteristike
● Radna temperatura - 20 ° C ± 55 ° C
● Težina 650 g
● Boja siva / crna
● mikrofon A47421 membrane oscilator 10mV
●. Receptor A47421 membrane oscilator
Osetljivost> 130 dB
Modeli
TLGAVS45563-slušalica sa kablom od 2 metra
TLGAVS45564-slušalica sa kablom od 5 metra
Dispečerski daljinski telefon bez napajanja (BPS) TSC 106R49GEN
Električne karakteristike:
Napon: 48 VVS
Potrošnja: <400 mA
Materijal / Boja: aluminijum / siva
Montaža: desktop ili ugrađen u office
Dimenzije: 300 X 175 X130 mm
Radna temperatura: -20 ° C / + 60 ° C
Otvaranje: 4 šrafa na levoj strani ploče
Priključci na pločici unutar konzole
Konzola ima:
Utičnicu za telefon Genephone
14 tastera za direktan poziv modula sa LED indikatorom svetla
1 rezervnu bateriju za napajanje

Telefon - oscilator bez napajanja - TLM500E1A
Električne karakteristike:
Telefon - oscilator energije poseduje ugrađenu membranu koja omogućava generisanje glasa u struju. Telefon je potpuno samostalan i ne zahteva izvor energije (ili baterije ili spoljašnji izvor napajanja)
Ovaj telefon ima ugrađeni generator poziva. Poziv se aktivira kad uključite generatora. Taj signal može biti od 300 do 2000 Hz.
Ustanovljenja Udaljenost: 10 km
Instalacija: nazidna
Dimenzije: 210 X 240 X 117 mm
Težina: 3,6 kg
Stepen zaštite od prašine i vlage: IP 65
Područje radne temperature: -40 ° C / + 50 ° C
Kablovske uvodnice: 2 ulaza kabla prečnika od 5 do 8 mm
Vandal Zaštita: IK10
Garancija: 2 godine
Otpornost: vremenski uslovi i eksplozivna zaštita
Zatvaranje: 3 šrafa na prednjoj strani telefona
Servisiranje: ne treba posebno održavanje, instalaciju aparata proverite neposredno po zatvaranju
Telefoni i oscilatori TLG852 TLG713
Telefoni i oscilatori-TLG852 TLG713 ne zahtevaju spoljašnji izvor napajanja (bilo spoljašnji ili baterija).Vaš telefon ima posebnu membranu, koja generiše električnu energiju iz glasa. Ovi telefoni mogu biti instalirani na udaljenosti od 16km.
Uređaji su opremljeni sa posebnim generatorom poziva. Na prelazu iz generatora je poziv.
Ovi telefoni mogu se koristiti čak i u uslovima velike buke.
Uređaji imaju najvišlji stepen zaštite od prašine i vlage - IP66 i maksimalnu zaštitu od vandalizma - IK 10.
Teelfon u eksplozivnoj zaštiti (Groupe II C) TLG813.
Telefon otporan na vremenske uslove TLG713
Tehničke karakteristike:
Termoplastični materijal
● Radna temperatura -20 ° C - 55 ° C
● Otporan na koroziju i na uticaje hemikalija i slane vode
● Težina 600 g
● $ 67 X 260 X122
● zaštita od prašine i vlage IP66
● Boja crna ili narandžasta
● mikrofon A47421 membrane oscilator 10mV
● receptor (slušalice, slušalice) A47421 membrane oscilator
Osetljivost> 130dB
Impedancija 75 Ohm
Frekvencija 500 do 2500 Hz
Modeli:
TLG713: telefon oscilator otporan na vremenske uslove
TLG813: telefon-oscilator u eksplozivnoj zaštiti
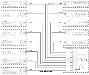
Struktura sistema bez baterija
Sistem se sastoji od zidno montiranih oscilatora telefona ili slušalica i naušnih-slušalica, koje se mogu umetnuti u utičnicu posebno predviđenu za kontrolne sobe sa direktnim biranjem sklopki, ako je potrebno, akustična kućišta i dodatne kombinovane alarme.

Standardna šema sistema sa kabliranje "zvezda" na daljinskom dispečerskom pultu TSC 106
